قطعات ریخته گری چدن خاکستری سفارشی توسطریخته گری قالب شن و ماسهوماشین آلات دقیق CNCgفرآیندها خدمات مهندسی سفارشی OEM نیز در دسترس است.
قابلیت های ریخته گری شن و ماسه قالب گیری با دست:
• حداکثر اندازه: 1500 میلی متر × 1000 میلی متر × 500 میلی متر
• محدوده وزنی: 0.5 کیلوگرم - 500 کیلوگرم
• ظرفیت سالانه: 5000 تن - 6000 تن
• میزان تحمل: در صورت درخواست یا استاندارد (ISO8062-2013 یا استاندارد چینی GB/T 6414-1999)
• مواد قالب: ریخته گری شن و ماسه سبز، ریخته گری شن و ماسه پوسته.
قابلیت های ریخته گری شن و ماسه توسط ماشین های قالب گیری اتوماتیک:
• حداکثر اندازه: 1000 میلی متر × 800 میلی متر × 500 میلی متر
• محدوده وزنی: 0.5 کیلوگرم - 500 کیلوگرم
• ظرفیت سالانه: 8000 تن - 10000 تن
• میزان تحمل: در صورت درخواست یا طبق استاندارد (ISO8062-2013 یا استاندارد چینی GB/T 6414-1999)
• مواد قالب: ریخته گری شن و ماسه سبز، ریخته گری پوسته شنی با پوشش رزین.
اینریخته گری قالب شن و ماسهدر RMC مجهز به یک آزمایشگاه متالورژی کامل برای تعیین مشخصات شیمیایی و مکانیکی هر مذاب و تجزیه و تحلیل شرایط متالورژیک فلز مذاب قبل از ریختن است. ریز مقاطع زیر میکروسکوپ بررسی می شوند تا اطلاعات نهایی به دست آید. در صورت امکان یا نیاز، ما می توانیم گواهی 3.1 را برای هر قسمت تحویل بنا به تقاضای مشتریان صادر کنیم.
محصولات ریخته گری شن و ماسهمی تواند خدمت کندبسیاری از صنایعمانند درام، چرخ دنده، محفظه چرخ دنده، ماشین آلات معدن، بلوک نصب، پمپ فشار هیدرولیک، صندلی یاتاقان، حلقه پشتیبانی، چرخ بیکار، گیره، براکت نصب، توپی چرخ، سوکت گوه، پد مسیر برای تجهیزات معدن، یوغ میله هیدرولیک. و غیره
| خواص مکانیکی چدن خاکستری | |||||||
| مورد مطابق با DIN EN 1561 | اندازه گیری کنید | واحد | EN-GJL-150 | EN-GJL-200 | EN-GJL-250 | EN-GJL-300 | EN-GJL-350 |
| EN-JL 1020 | EN-JL 1030 | EN-JL 1040 | EN-JL 1050 | EN-JL 1060 | |||
| استحکام کششی | Rm | MPA | 150-250 | 200-300 | 250-350 | 300-400 | 350-450 |
| 0.1٪ قدرت بازده | Rp0،1 | MPA | 98-165 | 130-195 | 165-228 | 195-260 | 228-285 |
| استحکام ازدیاد طول | A | % | 0.3 - 0.8 | 0.3 - 0.8 | 0.3 - 0.8 | 0.3 - 0.8 | 0.3 - 0.8 |
| مقاومت فشاری | σdB | MPa | 600 | 720 | 840 | 960 | 1080 |
| 0.1٪ مقاومت فشاری | σd0,1 | MPa | 195 | 260 | 325 | 390 | 455 |
| قدرت خمشی | σbB | MPa | 250 | 290 | 340 | 390 | 490 |
| Schuifspanning | σaB | MPa | 170 | 230 | 290 | 345 | 400 |
| تنش برشی | TtB | MPa | 170 | 230 | 290 | 345 | 400 |
| ماژول های الاستیسیته | E | GPa | 78-103 | 88 - 113 | 103-118 | 108-137 | 123-143 |
| شماره پواسون | v | – | 0,26 | 0,26 | 0,26 | 0,26 | 0,26 |
| سختی برینل | HB | 160-190 | 180 - 220 | 190-230 | 200 - 240 | 210 - 250 | |
| شکل پذیری | σbW | MPa | 70 | 90 | 120 | 140 | 145 |
| تنش و فشار تغییر می کند | σzdW | MPa | 40 | 50 | 60 | 75 | 85 |
| قدرت شکستن | Klc | N/mm3/2 | 320 | 400 | 480 | 560 | 650 |
| تراکم | g/cm3 | 7،10 | 7،15 | 7,20 | 7,25 | 7,30 | |
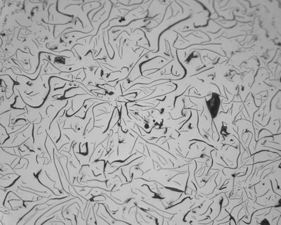
چدن یک آلیاژ چدن کربن با عناصر دیگر است که از ذوب مجدد آهن خام، ضایعات و سایر مواد افزودنی ساخته می شود. برای تمایز از فولاد و فولاد چدنی، چدن به عنوان یک آلیاژ ریخته گری با محتوای کربن (حداقل 2.03٪) تعریف می شود که انجماد فاز نهایی را با تبدیل یوتکتیک تضمین می کند. بسته به مشخصات شیمیایی، چدن ها می توانند غیر آلیاژی یا آلیاژی باشند. گستره آهن آلیاژی بسیار گسترده تر است و حاوی مقادیر بیشتری از اجزای رایج مانند سیلیکون و منگنز یا مواد افزودنی خاص مانند نیکل، کروم، آلومینیوم، مولیبدن، تنگستن، مس، وانادیم، تیتانیوم و بعلاوه است. دیگران به طور کلی، چدن را می توان به آهن خاکستری، چدن دوسیتل (آهن گره دار)، چدن سفید، چدن گرافیت فشرده و چدن چکش خوار تقسیم کرد.










